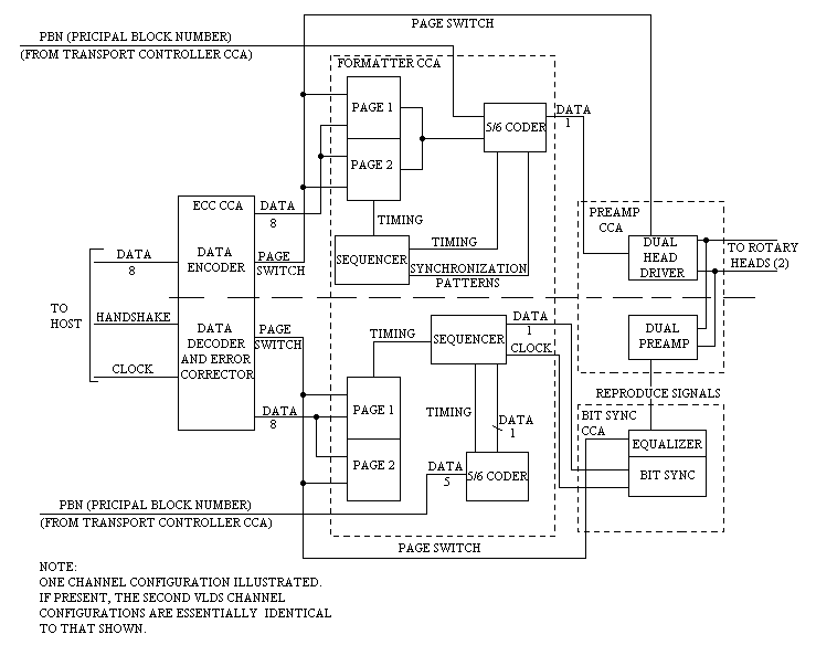
Figure 6-15.  Typical VLDS data path electronics block diagram.